Aproveitamento energético das perdas em purgas de caldeira
Autor: Henrique Oliveira
As purgas na caldeira devem ser realizadas, mas há um grande problema por trás desse feito: muitas dores!
1 – $$ perdido na purga de superfície da caldeira
2 – $$ desperdiçado na descarga de fundo da caldeira
Sendo:
CV – custo de produção do vapor (R$/kg)
Cc – custo do combustível (R$/kg)
CT – calor total (kcal/kg)
Ta – temperatura de entrada da água (°C)
PCI – poder calorífico inferior do combustível (kcal/kg)
µ – rendimento da caldeira

APROVEITAMENTO ENERGÉTICO DAS PERDAS EM PURGAS DE CALDEIRA: “Dor 1”
Cálculo da descarga de água para controle de STD (sólidos totais dissolvidos)
– A taxa de descarga necessária pode ser calculada:

F= STD da água de alimentação em partes por milhão (ppm) ou µs/cm
B= STD adequado para a água da caldeira em partes por milhão (ppm)
ou µs/cm
S= Geração de Vapor em kg/h.

Recuperando a energia descarregada
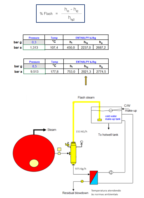
hf1 = Entalpia Específica da Água Saturada na Entrada
hf2 = Entalpia Específica da Água Saturada na Saída
hfg2 = Calor Latente do Vapor Saturado na Saída
% Flash = 753 kJ/kg – 450 kJ/kg
2.021 kJ/kg
% Flash = 13,5%
Massa de vapor gerado: 153 Kg/h


DESCARGA DE FUNDO: “Dor 2”
O que é e qual a função do valor Kv?
O valor Kv é um índice padronizado introduzido por volta de 1950 para a vazão fluídica alcançada por uma válvula.
O cálculo do valor Kv é feito segundo a DIN EN 60.534 na qual o valor é definido através da medição da água com um ∆P aproximado de 1 bar e uma temperatura entre 5 – 30° C de acordo com as diretivas VDE/VDI 2173.
A unidade do resultado é dada em m³/h.


PURGA um “mal necessário”
– As purgas de fundo em muitas instalações são feitas manualmente. Isto significa que toda a operação é de responsabilidade do operador da caldeira e isso pode levar a perdas de água, produtos químicos e combustível.
– Recomendamos que as purgas sejam automatizadas, pois o tempo ideal de abertura da válvula não pode ultrapassar 5 segundos.
– Falamos em perda porque após 5 segundos de purga, um vórtice se forma dentro da caldeira e a água de cima do cone começa a ser jogada fora.
A lama abaixo ainda permanece.
Importante: empresa de tratamento de água


Emissão de CO2
1 GJ Gas Natural: 55 kg/CO2
1 kcal Gas Natural: 2,3 x 10-4 kg/CO2 (H)
(A) Energia total do vapor à pressão operacional: kcal/Kg
(B) Energia contida na água de alimentação da caldeira: kcal/kg
(C) Energia necessária para geração de vapor: (A-B) kcal/kg
(D) Poder Calorífico Inferior do Combustível (G.N.) kcal/m3
(E) Eficiência da caldeira (δ) %
(F) Combustível necessário para gerar 1 tonelada de vapor: m3 (Condições ideais)
≈120 Kg CO2 / Ton de vapor
Plataforma que visa a conexão entre alunos e profissionais na área de alimentos. Com o objetivo de melhor preparar o aluno para o mercado de trabalho